Page 1 of 1
ZZR1200 brakes upgrade
Posted: Sun Apr 15, 2018 3:58 pm
by billwest
I have always found braking on this bike to be underwhelming and less than satisfactory, even with braided lines, new pads, etc.
Details can be found
here (saves writing it up twice).
Fitting took around 20 mins.
Re: ZZR1200 brakes upgrade
Posted: Sun Apr 15, 2018 5:57 pm
by billwest
Filled.
Bled.
Ridden.
Bedded.
Tested.
Faark, what a difference. Night and Day. Chalk and Cheese. The duck's nuts. The ant's pants.
1 finger stopping with these calipers.

Re: ZZR1200 brakes upgrade
Posted: Sun Apr 15, 2018 9:07 pm
by Kwakked Up
Good work Bill, gotta be happy with that outcome.
I did the upgrade on my zx10 which made a huge difference too, fortunately a direct fit.
Where did you source the adaptors for your swap over?
Re: ZZR1200 brakes upgrade
Posted: Sun Apr 15, 2018 9:54 pm
by billwest
From
here.
The guy made the adapters for the ZRX, and a few years ago I asked him if he made them for the ZZR. At the time he didn't.
One of my offspring found the link not long ago.
Re: ZZR1200 brakes upgrade
Posted: Mon Apr 16, 2018 8:37 am
by bonester
Wonder why Kawasaki never fitted better callipers in the first place? Aren't ZRX and ZZR forks pretty similar if not the same? IIRC last ZZR ('05?) had all the adjustment of the ZRX.
Re: ZZR1200 brakes upgrade
Posted: Mon Apr 16, 2018 9:41 am
by billwest
I guess the Nissins came out after the bikes were built.
The ZRX and ZZR forks have the same diameter, but they are not the same.
Have a look at the ZRX pic and the ZZR pic form the link above. Where the calipers attach, is different.
Also, my ZRX ('01) forks have more adjustable bits than my ZZR ('02) ones.
Re: ZZR1200 brakes upgrade
Posted: Wed Apr 18, 2018 7:13 pm
by Kwakked Up
Interesting, was going to do a fork swap on my zx7 to get better braking. Might check these adapters out.
Earlier bikes were mounted differently, the Nissins are a radial mount brake caliper. Of course the Tokicos on the early zx10s were a radial caliper too but had they had a terrible feel. Swap to Nissins sorted that out.
Re: ZZR1200 brakes upgrade
Posted: Tue Jun 26, 2018 5:06 pm
by billwest
I fitted the adapters as prescribed, and attached the Nissin calipers. I did a similar job on my ZRX, no problems.
However, I found when I tightened everything, that the front wheel drags, it does not spin as freely as with the OEM setup. I understand that there is always some drag, but this is a lot.
I loosened the bolts that attach the adapters to the forks, and the drag goes away. When I tighten the bolts, the drag is there again.
I have also tried some washers between the Nissin calipers, and the adapters, and the drag is a bit less, but still not satisfactory.
The disks seem fine, but I am getting them checked tomorrow for any runout.
I then contacted the supplier for some feedback. He wrote back wanting some more info.
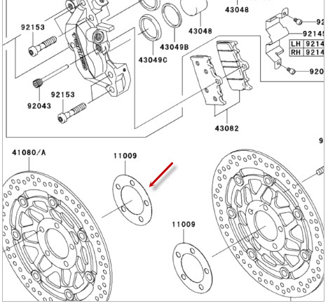
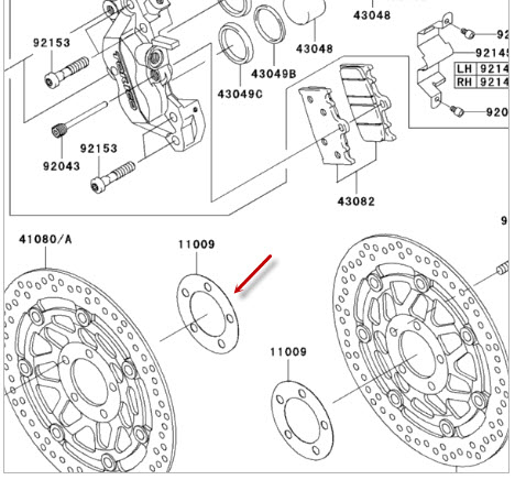
But ... in the parts fiche for the front brakes for this bike, there is a gasket behind each disc. However, it is prescribed for the C3 model ZZR1200 only, not the C1 (mine) nor C2.
In the end I didn't get the discs checked.
I bought and put a set of those gaskets on, and no more drag. Wheel spins quite freely.
The thickness of each gasket was just enough to move the disc ever so slightly away from the wheel..
Even though they are not listed for my C1 model, perhaps these particular non OEM discs (off a ZX12R early model - my OEMs were warped a long time ago) require them.
I think that the OEM calipers were more tolerant.
So, all is good.
Re: ZZR1200 brakes upgrade
Posted: Tue Jul 03, 2018 7:05 pm
by billwest
I had two separate issues to deal with with this upgrade.
1. There was extra drag that I noticed when spinning the front wheel.
That was solved by adding the spacers behind the discs.
.

- Spacer.jpg (57.39 KiB) Viewed 20908 times
.
2. I discovered that one of my (non OEM) discs was warped after all. I didn't notice it with the original Tokico calipers, but certainly did with the Nissins. I think that tolerances with the Nissins are tighter.
So, a new set of discs installed, from S3 Performance.
.

- NewDiscs.JPG (248.09 KiB) Viewed 20908 times
.
I did a test ride today, and I was more that happy with the result. After bedding in the brake pads with the new discs, the brakes performed as I expected (just like on my ZX12R I had, and my ZRX1200). Definitely a huge improvement over OEM, and 1-finger stopping.
The ride also gave me a chance to check the performance after installing the stick coils. Starts well, idles nicely, and doesn't hesitate anywhere.
Re: ZZR1200 brakes upgrade
Posted: Wed Jul 04, 2018 10:57 am
by BrettZZR
Nooooooo! Look what you've done! Now I'm wanting to spend more money on my ol'girl!
Seems like it's the biz!
(-B
Re: ZZR1200 brakes upgrade
Posted: Wed Jul 04, 2018 11:04 am
by billwest
Do you have a 12, Brett?
Re: ZZR1200 brakes upgrade
Posted: Wed Jul 04, 2018 6:58 pm
by BrettZZR
Nope, I have a '99 1100. But I have been thinking about that stick-coil mod, and those brakes look fantastic. I've put Toc 6-pots on, which (along with the rest of the bike, outperform my abilities), but those wavy disk's look great!